问题
-
图Ⅰ-9所示放大电路的空载电压放大倍数Au=100,输入电阻ri=1kΩ。输出电阻ro=2kΩ,信号源的RS=0.5kΩ,US=1.2mV,负
-
电路如所示 图中的戴维南等效电路参数us和Rs分别为()。
-
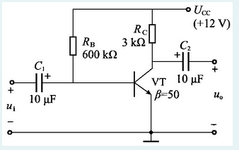
如题图所示 放大器的输入电阻Ri 输出电阻R0和电压放大倍数Au分别为:
-
如题图所示某粉土地基 测得天然含水量w=25% 干重度γd=15.5kN 土粒比重ds=2.70 地面及地下水位高程分别为35.
-
直流电路如题图所示 则UAB为()
-
如题图所示电路 已知电路中N的Z矩阵为 电源 求电路N吸收的功率。如题图所示电路 已知电路中N的Z矩阵为 电源 求电路N吸收的功率

冀公网安备 13070302000102号