当前位置: 答题翼 > 问答 > 远程教育 > 正文
目录: 标题| 题干| 答案| 搜索| 相关
问题

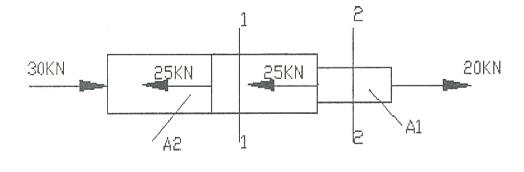
图示轴向受力杆1-1截面的内力N1是()KN。A.5B.-5C.20D.-20


图示轴向受力杆1-1截面的内力N1是()KN。

A、5

B、-5

C、20

D、-20

参考答案
您可能感兴趣的试题
  • 图示两桁架结构杆AB的内力分别记为N1和N2。则两者关系为:

  • 图示结构中 梁式杆上A点右截面的内力(绝对值)为:

  • 单层厂房排架柱受力如下图所示 下列各项内力中 可能产生于柱底a-a截面的有( )。 A

  • 下图所示简支梁在下图示移动荷载作用下(P=5kN) K截面的最大弯矩为 ( ) A.15kN.m###SXB##

  • 图示结构中 梁式杆上A点右截面的内力为( )。

  • 有一桁架 受力及支承如下图所示 则AC杆和AB杆的内力分别为( )kN。(拉力为正 压力为负) A.-1 -1