当前位置: 答题翼 > 问答 > 建筑工程类考试 > 正文
目录: 标题| 题干| 答案| 搜索| 相关
问题

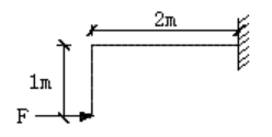
图示力F=2kN对A点之矩为()kN-m。 A.2 B.4 C.-2 D.-4


图示力F=2kN对A点之矩为()kN-m。

A.2

B.4

C.-2

D.-4

请帮忙给出正确答案和分析,谢谢!

参考答案
您可能感兴趣的试题
  • 力F对O点之矩,记作()。A.Mo(F)=FdB.Mo(F)一±FC.Mo(F)一-FdsinaD.M0(F)一±FdCOSa

  • 关于力对点之矩的说法,()是错误的。A、力对点之矩与力的大小和方向有关,而与矩心位置无关B、力对

  • 图示力P的大小为2kN 则它对点A之矩的大小为:

  • 关于力对点之矩的说法()是错误的

  • 力对任一点之矩在通过该点的任意轴上的投影等于力对该轴之矩()。

  • 平面汇交力系的合力对力系所在平面内任一点之矩等于力系中各力对同一点矩的代数和。()