当前位置: 答题翼 > 问答 > 大学本科 > 正文
目录: 标题| 题干| 答案| 搜索| 相关
问题

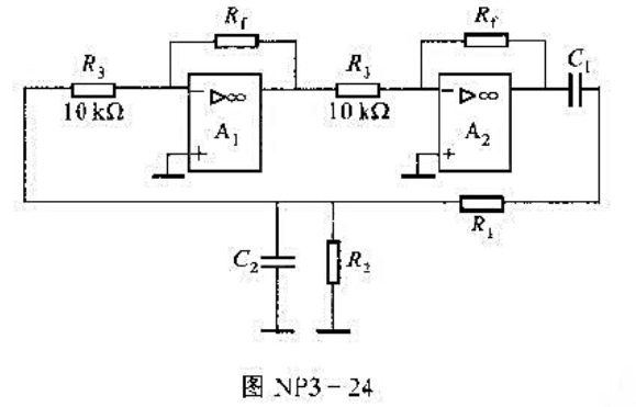
试求图NP3-24所示串并联移相网络振荡器的振荡角频率ωosc及维持振荡所需R1最小值的R


试求图NP3-24所示串并联移相网络振荡器的振荡角频率ωosc及维持振荡所需R1最小值的Rlmm表达式。已知(1)C1=C2=0.05μF,R1=5kΩ,R2=10kΩ;(2)R1=R2=10kΩ,C1=0.01μF,C2=0.1μF。

请帮忙给出正确答案和分析,谢谢!

参考答案
您可能感兴趣的试题
  • 设运放为理想器件,试求图题9.8.5所示电压比较器的门限电压,并画出它的传输特性(图中VZ=9V)。

  • 试求图10-4(1)~(6)所示各单自由度体系的自振频率。

  • 试求图2-25所示各无源网络的传递函数

  • 试求图NP4-18所示电路的混频损耗Lc 假设各二极管均工作在受vL控制的开关状态 且RD⌘

  • 在图NP3-21所示晶体振荡电路中 试分析晶体的作用。已知晶体与CL构成并联谐振回路 其谐振电

  • 阻容振荡器的反馈电路是采用RC移相电路或RC选频网络组成的。